|
|
|
| |
 |
6&8 pole, 220V/380V, Three Phase |
|
  |
|
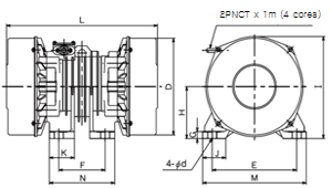
| Pole |
Model |
Force
(kgf) |
Output
(kw) |
Full load
current
(A)50/60§Ô |
Weight
(kg) |
Dimension (mm) |
| D |
E |
F |
G |
H |
I |
J |
K |
L |
M |
N |
d |
¥Õ |
| 6 |
DVT-604 |
500 |
0.4 |
1.7/1.9 |
36 |
190 |
190 |
110 |
13 |
104 |
210 |
50 |
55 |
365 |
220 |
150 |
18 |
M16 |
| DVT-608 |
900 |
0.6 |
2.6/2.8 |
54 |
225 |
220 |
140 |
20 |
120 |
240 |
60 |
65 |
410 |
270 |
190 |
22 |
M20 |
| DVT-611 |
1,300 |
0.85 |
2.8/3.0 |
71 |
245 |
240 |
140 |
22 |
130 |
260 |
70 |
75 |
440 |
300 |
200 |
26 |
M24 |
| DVT-615 |
2,400 |
1.5 |
5.7/6.0 |
134 |
295 |
310 |
170 |
25 |
158 |
320 |
85 |
95 |
550 |
380 |
240 |
33 |
M30 |
| DVT-622 |
3,400 |
2.2 |
8.0/9.0 |
181 |
345 |
350 |
220 |
35 |
185 |
365 |
100 |
110 |
550 |
430 |
300 |
39 |
M36 |
| 8 |
DVT-804 |
500 |
0.4 |
3.2/2.7 |
52 |
225 |
220 |
140 |
16 |
120 |
240 |
60 |
65 |
410 |
270 |
190 |
22 |
M20 |
| DVT-806 |
730 |
0.6 |
4.2/3.7 |
67 |
245 |
240 |
140 |
20 |
130 |
260 |
70 |
75 |
440 |
300 |
200 |
26 |
M24 |
| DVT-808 |
1,000 |
0.75 |
5.9/5.1 |
90 |
265 |
260 |
150 |
22 |
142 |
280 |
70 |
80 |
500 |
320 |
210 |
26 |
M24 |
| DVT-815 |
2,000 |
1.5 |
9.4/8.2 |
153 |
295 |
310 |
170 |
25 |
158 |
320 |
85 |
95 |
610 |
380 |
240 |
33 |
M30 |
| DVT-822 |
3,000 |
2.2 |
12/11 |
226 |
345 |
350 |
220 |
30 |
185 |
365 |
100 |
110 |
710 |
430 |
300 |
39 |
M36 |
|
| The data given in this table are subject to change without notice. |
|
|
|